Welcome Changzhou Boying Drying Equipment Co., Ltd. website!

Contact us Webchat Webchat

Lang

Tell:0086-13915018109

GFG High-Efficiency Fluidizing Dryer (Fluid Bed)

Home > Products > Drying equipment series
  • GFG High-Efficiency Fluidizing Dryer (Fluid Bed)
  • GFG High-Efficiency Fluidizing Dryer (Fluid Bed)

GFG High-Efficiency Fluidizing Dryer (Fluid Bed)

Keywords: High-Efficiency Fluidizing Dryer,Fluid Bed,Fluidizing Dryer
Description: Purified and heated air is introduced from the bottom through suction fan and passed through the screen plate of raw material. In the work chamber , the state of fiuidization is formed through stirring and negative…
Order
Details Photos

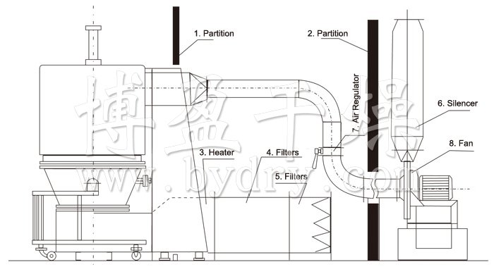
WORKING PRINCIPLE
The purified and heated air is introduced from the bottom by the draft fan and passed through the screen plate. The fluidization is formed through stirring and negative pressure in the working room. The moisture will be rapidly evaporated and exhausted so the material can be dried very fast.
 

FEATURES
1) The structure of fluidization bed is round so it is smooth inside without cleaning dead corners.
2) There is a stirring device inside of the hopper which can avoid agglomeration of wet material.
3) The granule is discharged by tipping over the hopper. The discharged system can be designed as per customer requirements.
4) The dryer is operated at the negative pressure and seal conditions. The air is filtered before enters to the dryer. Therefore, it is simple in operation and convenient in cleaning.
5) The drying speed is fast and the temperature is uniform. The drying time is normally 20~30 min utes for each batch.


APPLICATION

This dryer is widely used for the following materials:
1) Damp granules and powder materials in pharmaceutical, foodstuff, feed, chemi cal, and agrochemical industries.
2) Granules made by extruder, oscillating granulator, and high speed mixing granulator.
3) Special large granule and small blocks that having adhesive property.
4) The material that changes volume during drying process; such as konjak.

PRODUCTION PARAMETERS
High Efficiency Fluidizing Dryer (Fluid Bed) 


TECHNICAL PARAMETERS

Item Model
Feeding Capacity (kg) 60 100 120 150 200 300 500
Fan Power (kw) 7.5 11 15 18.5 22 30 45
Stirring Power (kw) 0.55 1.1 1.1 1.1 1.1 1.5 2.2
Stirring Speed (rpm) 8~11
Steam Consumption (kg/h) 141 170 170 240 282 366 451
Working Time (min) 15-30(It depends on the nature of materials)
Dryer Heigh (mm) 2700 2900 2900 2900 2900 3300 3500
  • GFG High-Efficiency Fluidizing Dryer (Fluid Bed)
  • GFG High-Efficiency Fluidizing Dryer (Fluid Bed)

Relate Articles
Relate Products
  • LZG Helix Vibration Dryer
    LZG Helix Vibration Dryer
  • HG (Single & Double) Cylinder Scratch Board Dryer
    HG (Single & Double) Cylinder Scratch Board Dryer
  • HZG Rotary Drum Dryer
    HZG Rotary Drum Dryer
  • JYG Hollow Blade Dryer
    JYG Hollow Blade Dryer
  • ZPG Vacuum Harrow Dryer
    ZPG Vacuum Harrow Dryer
  • PLG Continuous Disc Plate Dryer
    PLG Continuous Disc Plate Dryer
  • QG/ JG/ FG Airflow Dryer
    QG/ JG/ FG Airflow Dryer
  • DWC Dehydrated Vegetables Belt Dryer
    DWC Dehydrated Vegetables Belt Dryer
    The company mainly produces: dry, granulation, mixing, grinding, dust and other products, according to the needs of the market in product development, research and innovation and transformation, design and manufacture of a series of advanced technology and energy-saving products. Widely used in pharmaceutical, chemical, food, feed, electronic light industry and other fields, praised by users.
Top